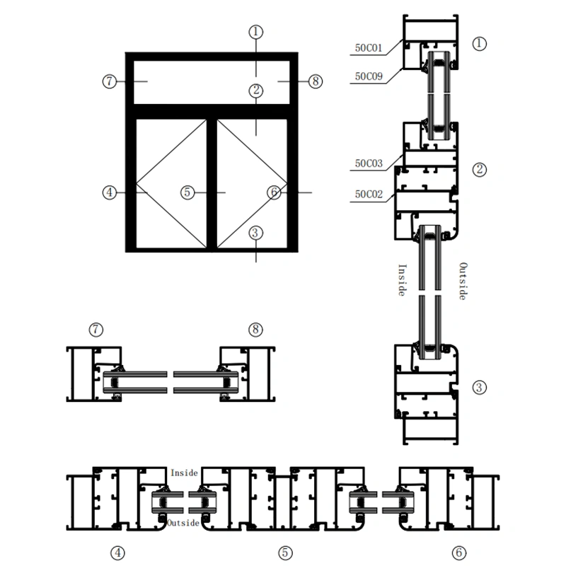
H=1500mm L=1500mm A=500mm W=750mm
| Name | Model | Formula | Length (mm) |
Weight (kg/m) |
Quantity | Sum (kg) |
|---|---|---|---|---|---|---|
| H-Frame | 50C01 | L | 1500 | 0.774 | 2 | 2.322 |
| V-Frame | 50C01 | H | 1500 | 0.774 | 2 | 2.322 |
| H-Mullion | 50C03 | L-50 | 1450 | 0.992 | 1 | 1.438 |
| V-Mullion | 50C03 | H-A-33 | 967 | 0.992 | 1 | 0.929 |
| H-Sash | 50C02 | L/2-57 | 693 | 0.968 | 2 | 1.438 |
| V-Sash | 50C02 | H-A-57 | 943 | 0.968 | 2 | 1.342 |
| H-Bead | 50C09A | L-W-11 | 1414 | 0.194 | 2 | 0.549 |
| V-Bead | 50C09A | H-A-99 | 901 | 0.194 | 2 | 0.350 |
| H-Bead | 50C09A | H-A-192 | 808 | 0.194 | 2 | 0.314 |
| V-Bead | 50C09A | W-69 | 681 | 0.194 | 2 | 0.264 |
| H-Bead | 50C09A | W-152 | 598 | 0.194 | 2 | 0.232 |
| V-Bead | 50C09A | A-99 | 401 | 0.194 | 2 | 0.156 |
| Corner Cleat | BLM71301 | 95.4 | 2.460 | 4 | 0.939 | |
| Total Weight | 1.5m × 1.5m =2.25m² | 12.980 | ||||
| Average Weight | (kg/m²) | 12.980/2.25=5.769 | ||||

测试22222222222222